![]() |
Домашняя страница
Поиск
Контакты
ICN |
![]() |
|
| E-Doku Информация Справка Обратная связь | |
![]() |
![]() |
![]() |
![]() |
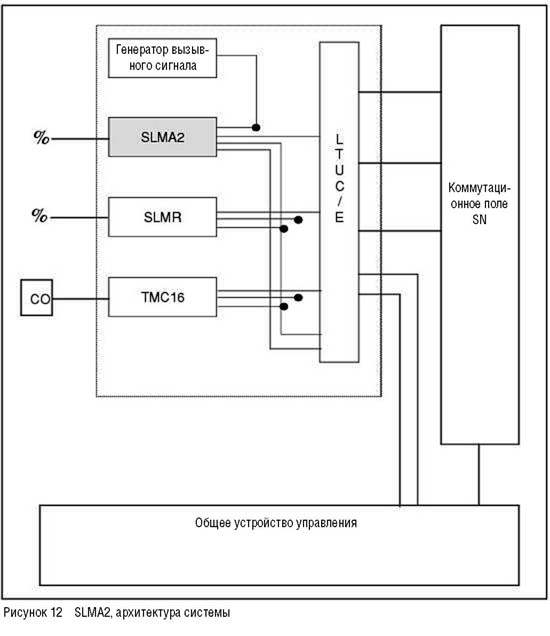
SLMA2 полностью обеспечивает подключение 24-х аналоговых абонентских линий и поддерживает все функции (в режиме онлайн) аналоговых телефонных аппаратов. SLMA2 реализует улучшенные функциональные возможности платы SLMA. SLMA2 совместим с SLMA. Дополнительно, с помощью адаптера SIPAC/SIVAPAC, без изменения существущего оборудования SLMA2 может использоваться также в полке LTU. Однако, системное ПО должно быть усовершенствовано до версии V3.5. Любая из 24 линий может быть введена в любой из 128 временных интервалов, имеющихся в полке LTUE.
![]() |
Защита от перенапряжений |
![]() |
Передача вызова по линии |
![]() |
Контроль и сигнализация в линии |
![]() |
Функция кодека |
![]() |
Функция дифсистемы для перехода от 4-проводной линии к 2-проводной и от 2-проводной линии к 4-проводной |
![]() |
Возможность включения теста (соединение по шлейфу) |
Интерфейс с программой администрирования
![]() |
Идентификатор адреса полки (интерфейс с LTUE/LTUS): В SLMA2 имеется интерфейс с LTUE или LTUS; если плата используется в полке LTU, доступны только первые 16 пар линий. Адресная информация кодируется 7-ю битами. SLMA2 параллельно считывает только первые 6 бит (BA0....BA5). |
![]() |
Индикация светодиодов: В SLMA2 имеются красный и зеленый светодиоды. Выходной сигнал зеленого светодиода используется для индикации рабочего состояния модуля. Выходной сигнал красного светодиода используется для индикации результатов самотестирования платы. Уровнем активности сигнала является низкий уровень. |
![]() |
Состояние светодиода RESET (СБРОС) |
Защита от перенапряжений
Отклонение мощности от нормы
Напряжение разомкнутой цепи Us |
Ri |
Задержка ответа |
|---|---|---|
230 В эфф |
600 |
15 мин. |
Во время теста допускаются нарушения функций; допускается отсутствие свечения или символов на панели индикатора. |
||
Источник питания (интерфейс с узлом источника питания)
Для SLMA2 от системы требуются следующие постоянные напряжения питания:
| a) | +5 В (+/- 5%) |
| b) | -48 В (от -42 В до -58 В) |
| c) | земля системы |
Питание от батареи
![]() |
Напряжение разомкнутой цепи между проводами TIP и RING: меньше, чем макс. напряжение батареи |
![]() |
Ограничение тока |
Интерфейс с абонентской линией
Интерфейс с кроссом (MDF) содержит 24 пары линий. Каждая пара представляет линии TIP (плюс) и RING (минус).
Интерфейс с вызывным генератором
Вызывной сигнал:
SLMA2 подает вызывной сигнал (RING) для сигнализации в каждую абонентскую линию; этот высоковольный сигнал генерируется внешним вызывным генератором. Напряжение вызывного сигнала может подаваться относительно земли или батареи. Установка реле RING (K1) производится с помощью загружаемого ПО. Вызывной генератор обеспечивает также SLMA2 синхросигналом (RGSYN). Загружаемое ПО (LW) SLMA2 управляет комбинацией вызывного сигнала в каждой линии. SLMA2 поддерживает два типа вызывного сигнала. Для проверки того, что подаваемый вызывным генератором (RG) сигнал соответствует специфическим требованиям страны, расположенная на плате схема контроля вызывного сигнала осуществляет контроль этого сигнала в общем системном интерфейсе.
Интерфейс со схемой коммутации
ИКМ-магистрали (интерфейс с LTUCE):
SLMA2 имеет доступ к 128 временным интервалам четырех ИКМ-магистралей на полке LTUCE. Для каждой магистрали имеются два одноправленных порта HI0..HI3 / HO0..HO3. Если плата используется в полке LTU, доступны только 64 временных интервала, и к интерфейсу системы подключены две ИКМ-магистрали (HI 0/1, Ho 0/1).
Интерфейс с центральным процессором
HDLC-магистраль (интерфейс с центральным процессором):
Обмен данными между центральным процессором и процессорами периферийных устройств осуществляется по HDLC-магистрали. Используется передача "точка-много точек" в режиме нормального ответа на скорости 2,048 Мбит/с. Магистраль имеет два однонаправленных порта HDI / HDO.
Интерфейс с генератором тактовых импульсов (Системные тактовые импульсы)
![]() |
Главные тактовые импульсы Для синхронизации узлам ELIC и Q-SICOFI требуются главные тактовые импульсы CKA, которые генерируются внешним генератором тактовых импульсов. Возможны два значения частоты. В зависимости от сигнала CLS: CKA = 2,048 МГц (CLS=низкий уровень) или CKA = 4,098 МГц (CLS=высокий уровень). Скважность импульсов равна 50%. SLMA2 работает со CKA = 2,048 МГц. |
![]() |
Импульсы синхронизации Сигнал FMB синхронизирует ИКМ-передачу с периодом тактовых импульсов 250 µсек. (напр., 4 кГц). |
Режим неактивности
Линия находится в состоянии высокого полного сопротивления.
Методы распознавания набора номера
2-проводный интерфейс поддерживает два типа обнаружения набора номера: импульсный набор и набор DTMF (тональный набор). Временные параметры могут задаваться в конфигурации и зависят от требований спецификаций разных стран. В случае использование набора DTMF линия SLMA2 находится в режиме передачи речи и соединена с приемником DTMF внешнего SIU.
Передача вызывного сигнала
2-проводный интерфейс обеспечивает два типа передачи вызывного сигнала. SLMA2 передает вызывной сигнал и управляет вызывным сигналом, который поступает от внешнего генератора; для разных вызывных сигналов требуются разные вызывные генераторы. Временные параметры вызывного сигнала могут задаваться в конфигурации и являются частью данных загружаемого ПО (LW). Опорный потенциал тракта ввода сигнала RING (ВЫЗЫВНОЙ СИГНАЛ) выбирается с помощью реле RING (K1).
Два типа передачи вызывного сигнала задаются следующим образом:
![]() |
Передача вызывного сигнала относительно потенциала батареи: тип 85 В эфф, 20 Гц |
![]() |
Передача вызывного сигнала относительно потенциала земли: тип 85 В эфф, 25 Гц или тип 65 В эфф, 25 Гц |
Питание линии осуществляется от источника с полным сопротивлением 1310 
Для минимизации импульсного шума напряжение вызывного сигнала подается в абонентскую линию и снимается с нее загружаемым ПО вблизи момента пересечения напряжением нулевого значения.
Функция индикации ожидания сообщения (MWI)
Поддерживаются два типа методов индикации ожидания сообщения.
![]() |
Северо-Американский стандарт: Сигнал ожидания сообщения передается сигналом постоянного напряжения до -150 В между проводами TIP и RING для зажигания неоновой лампы на телефонных аппаратах. Комбинации последовательности вызывного сигнала и ожидания сообщения управляются внешними вызывными генераторами и управляющей программой загружаемого ПО. |
![]() |
Метод COMTEL3: Вызывной сигнал управляется таким образом, что 2-проводный интерфейс выполняет спецификацию сигнала ожидания сообщения. |
Индикация / Сигнализация
![]() |
Контроль/Сигнализация |
Каждая пара линий контролируется индивидуально для определения состояния держателя трубки (SHD), нажатия кнопки "земля" (GKD) и неисправностей. Активности сигнала соответствует НИЗКИЙ (LOW) уровень.
Если линия переходит в состояние "поднятая трубка" во время поступления вызывного сигнала или сигнала ожидания сообщения, напряжение соответствующего сигнала автоматически отключается от линии (PD находится в активном состоянии).
Порог различных типов сигнализации:
![]() |
SHD: 5-10 мА (выход SHD), для индикации включения токового шлейфа |
![]() |
GKD: 10-20 мА (выход GKD), для индикации тока на землю |
Счетверенный узел SICOFI
Счетверенный фильтр кодека обработки сигнала (QSICOFI) выполняет аналого-цифровое (A/D) и цифро-аналоговое (D/A) преобразование речевого сигнала и регулировку усиления, согласование полного сопротивления и балансировку дифсистемы, которые все полностью программируемы. Должно быть загружено специфическое для платы загружаемое ПО (LW). Контроллер системы и SLMA2 могут обмениваться сообщениями по магистрали HDLC со скоростью 2,048 Мбит/с. Данные оцифрованного речевого сигнала передаются и принимаются по максимум четырем магистралям ИКМ со скоростью 2,048 Мбит/с. Коммутация временных интервалов производится на плате.
Счетверенный SICOFI содержит четыре канала. Передача данных выполняется с помощью интерфейса IOM2.
Функция счетверенного SICOFI (Quad-SICOFI):
![]() |
Демультиплексирование сигнальной информации, поступающей из IOM2-C/I-канала и подача ее на выходные выводы SICOFI. |
![]() |
Мультиплексирование информации индикации, поступающей с входных вводов SICOFI, и подача ее в IOM2-C/I-канал. |
![]() |
Аналого-цифровое (A/D) и цифро-аналоговое (D/A) преобразование. |
![]() |
Согласование входного полного сопротивления (чисто омического или комплексного), дополнительная настройка усиления и балансировка дифсистемы (при чисто омических или комплексных оконечных полных сопротивлениях) полностью программируемы. |
Распределение выводов разъема
![]() |
||||
![]() |
||||
![]() |
![]() |
![]() |
||
| Hicom 300 E V3.0 Руководство по обслуживанию | Siemens Ном. для зак.: P31003-G1037-E403-4-5620 | Дата конвертации: 2000-10-27 | |
| Контакты: группа E-Doku | © Siemens AG 2000 | ||